Location -> Продукты -> Расходомер -> Переключатель расхода
Type:Электронный выключатель расхода серии FR12
Illustrate:Электронный выключатель расхода серии CX-FS-FR12, также известный как дифференциальный термический выключатель расхода, тепловой выключатель расхода.
Электронный выключатель расхода серии CX-FS-FR12, также известный как дифференциальный термический выключатель расхода, тепловой выключатель расхода. Условый диапазон: 1…20m/s, выходное реле (230VAC, 4А), без потерь давления, быть пригодным для различных жидких сред, с краткой визуальной индикацией, высокаой надежностью.
Электронный выключатель расхода серии FR12

(типа перепад тепла)
Принцип работы и структура :
На основе тепловой принципе, в закрытом зонде содержит два резистора, один из которых нагревается в качестве зонда сопротивление, а другой не нагревается в качестве базисного сопротивления, когда среда текает, тепло сопротивления накала снимается. Значение сопротивления изменяется. Разность двух резистор используется в качестве основы для оценки скоростей .
Характеристики:

Отсутствие движущихся частей, тне требующий ремонта, простота установки, один модель применимый для различных диаметров труб. Двухпозиционное измерение плавно регулируется, низкие потери давления, компактные структуры. Дисплей LED показает текущие тенденции и состояния переключения.
Применения:

Газо-жидкостного двойного назначения, могут быть использованы для пневматических и гидравлических систем, могут быть использованы для циркуляции воды, охлаждающей жидкости и мониторинга смазки, и защиты от боксования насоса.
Технические параметры:
△Условый диапазон:1…150cm/s( вода),3…300cm/s(нефть),20…2000cm/s(воздух )
△ выходной сигнал: PNP, NPN, реле, нормально открытый + нормально закрытый (SPDT)
△ Питание: 24V±20%DC
△ Коммутируемый ток: макс 400 мА (PNP или NPN типа), крупнейший 4А (типа реле)
△ Холостой ток: макс 80mA
△ Дисплей расхода: LED (6 строк)
△ Режима настройки: установка потенциометра
△ Диапазон давления:100bar
△ Градиента температуры:4℃/s
△ Время отклика: 1 - 13s, типичные 2s
△ Время инициализации: 8s
△ Электрическая защита: противофаза, закорачивание, максимальная защита
△Класс защиты: IP67
△ Температура среды : -20 - +80 ℃
△ Температура окружающей среды: -20 - +80 ℃
△ Температура хранения: -20 - +100 ℃
△Способ соединения: разъем M12 / прилагается непосредственно двухметровая линия (опционально)
△Материал: Зонд: нержавеющая сталь, Корпус: нержавеющая сталь,
△Вес:0.4kg
Размерная схема Электронного выключателя расхода серии FR12
Соединительная резьба: G1/4 или G1/2
Монтаж
Когда установлен вертикально, должен быть установлен в текающей из нижней части трубе; При горизонтальной установке, зонд должен избегать воздуха и осадка.
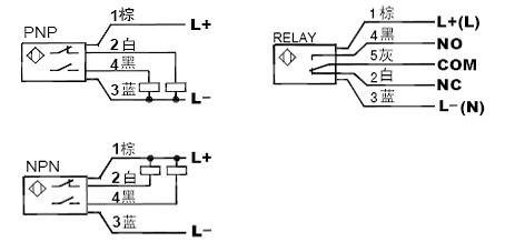
Электрический стык
1 коричневый
2. белый
3.синий
4.чёрный
5.серый
Функция и настройка дисплея LED
Красный сигнал:при отсетке потока или скорость ниже установленного значения, отпустите выключатель, или аналоговая величина в 4 мА,
Желтый горит: скорость потока равна заданного значения, переключатель действует,
Желтый и зеленый сигнал: скорость потока больше, чем установленное значение, тем больше зеленого света указывают на большую скорость.
Выключатель расхода установлен, Контролируемая среда при скорости потока, регулирует потенциометр, чтобы первый зеленый LED светиться. Затем, когда скорость потока меньше, чем значение тока, переключатель будет отпущен. Чтобы точка переключения меньше, чем текущее значение расхода, отрегулируйте потенциометр так намного ярче зеленый свет. Модель
Электронный выключатель расхода серии FR12

(типа перепад тепла)
Принцип работы и структура :
На основе тепловой принципе, в закрытом зонде содержит два резистора, один из которых нагревается в качестве зонда сопротивление, а другой не нагревается в качестве базисного сопротивления, когда среда текает, тепло сопротивления накала снимается. Значение сопротивления изменяется. Разность двух резистор используется в качестве основы для оценки скоростей .
Характеристики:

Отсутствие движущихся частей, тне требующий ремонта, простота установки, один модель применимый для различных диаметров труб. Двухпозиционное измерение плавно регулируется, низкие потери давления, компактные структуры. Дисплей LED показает текущие тенденции и состояния переключения.
Применения:

Газо-жидкостного двойного назначения, могут быть использованы для пневматических и гидравлических систем, могут быть использованы для циркуляции воды, охлаждающей жидкости и мониторинга смазки, и защиты от боксования насоса.
Технические параметры:
△Условый диапазон:1…150cm/s( вода),3…300cm/s(нефть),20…2000cm/s(воздух )
△ выходной сигнал: PNP, NPN, реле, нормально открытый + нормально закрытый (SPDT)
△ Питание: 24V±20%DC
△ Коммутируемый ток: макс 400 мА (PNP или NPN типа), крупнейший 4А (типа реле)
△ Холостой ток: макс 80mA
△ Дисплей расхода: LED (6 строк)
△ Режима настройки: установка потенциометра
△ Диапазон давления:100bar
△ Градиента температуры:4℃/s
△ Время отклика: 1 - 13s, типичные 2s
△ Время инициализации: 8s
△ Электрическая защита: противофаза, закорачивание, максимальная защита
△Класс защиты: IP67
△ Температура среды : -20 - +80 ℃
△ Температура окружающей среды: -20 - +80 ℃
△ Температура хранения: -20 - +100 ℃
△Способ соединения: разъем M12 / прилагается непосредственно двухметровая линия (опционально)
△Материал: Зонд: нержавеющая сталь, Корпус: нержавеющая сталь,
△Вес:0.4kg
Размерная схема Электронного выключателя расхода серии FR12
Соединительная резьба: G1/4 или G1/2
Монтаж
Когда установлен вертикально, должен быть установлен в текающей из нижней части трубе; При горизонтальной установке, зонд должен избегать воздуха и осадка.
Электрический стык
1 коричневый
2. белый
3.синий
4.чёрный
5.серый
Функция и настройка дисплея LED
Красный сигнал:при отсетке потока или скорость ниже установленного значения, отпустите выключатель, или аналоговая величина в 4 мА,
Желтый горит: скорость потока равна заданного значения, переключатель действует,
Желтый и зеленый сигнал: скорость потока больше, чем установленное значение, тем больше зеленого света указывают на большую скорость.
Выключатель расхода установлен, Контролируемая среда при скорости потока, регулирует потенциометр, чтобы первый зеленый LED светиться. Затем, когда скорость потока меньше, чем значение тока, переключатель будет отпущен. Чтобы точка переключения меньше, чем текущее значение расхода, отрегулируйте потенциометр так намного ярче зеленый свет. Модель
| Модель | Описание продукции |
| FR12-G12H-DC-RQ | Подключение G1 / 2 , питание DC24V, релейный выход |
Предыдущий:Выключатель расх.. следующий:没有了










