Type:Судовой поплавковый контроллер уровня
Illustrate:Поплавковый контроллер уровня серии UQK-01,02,03-C относится к прибору уровня двух знаков, подходит для контроля уровня меди, алюминия, нержавеющей стали и других материалов, не подвержены
Судовой поплавковый контроллер уровня
Руководство
1.Применение
Поплавковый контроллер уровня серии UQK-01,02,03-C относится
к прибору уровня двух знаков, подходит для контроля уровня меди,
алюминия, нержавеющей стали и других материалов, не подвержены
коррозии в сосуде. Когда уровень становится высоким, нижним положением
предела, контроллер выводит сигнал выключателя, для тревоги или запуски
-- остановки насоса уровня.
Может быть широко используется в нефтяной, химической и других
отраслей промышленности. Серии UQK-01, 02, 03-C используемого
на морских судах.
2.Модель и основные технические показатели
3.Структурные принципы:
Контроллер сосотоит из двух частей: элемент поплавлка и механизм преобразования.
Если измерительный уровень изменялось, с ним поплавок перемещается вверх и
вниз вместе, штоковой части магнита передвигает в противоположном направлении.
Когда уровень достигает двух контрольных точек, при отталкивающем действии
магнитной силы той же полярности, магнитная сталь механизма преобразователя
быстро и исключены на другой стороне, микропереключатель включен или отключен,
выходной сигнал переключателя используется для достижения сигнализации или
автоматического управления.
4.Памятка по обращению
(1) Управляющая среда не должна содержать магнитных примесей.
(2) Частота колебаний уровня и амплитудой среды не слишком велика.
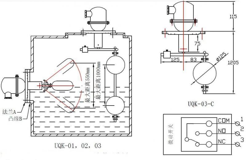
(3) Контроллер серии UQK-03-C, Если его диаметр больше, чем диаметр фланца,
крышка сосуда должна быть разъёмный.
5.При заказе
Пожалуйста, укажите модель спецификации, спецификации фланца , если нет
специальных требований, будет на основе стандартной фланца для поставщиков.



Руководство
1.Применение
Поплавковый контроллер уровня серии UQK-01,02,03-C относится
к прибору уровня двух знаков, подходит для контроля уровня меди,
алюминия, нержавеющей стали и других материалов, не подвержены
коррозии в сосуде. Когда уровень становится высоким, нижним положением
предела, контроллер выводит сигнал выключателя, для тревоги или запуски
-- остановки насоса уровня.
Может быть широко используется в нефтяной, химической и других
отраслей промышленности. Серии UQK-01, 02, 03-C используемого
на морских судах.
2.Модель и основные технические показатели
| Модель | UQK-01-C | UQK-02-C | UQK-03-C |
| Предел лействия | 8mm | 25-550mm | 8-1000mm |
| Способ настройки | Нерегулируемый | Регулируемый класс | Без класса регулирования |
| Способ уставки | Горизонтаьный | Горизонтаьный | Вертикальный |
| 、Давление работы | ≤1MPa | ||
| Температура работы | ≤150℃ | ||
| Напряжение питания | 220V 100V,24~240V | ||
| Ёмкость контака | 1.5A,2.5A,2.5~0.5A | ||
3.Структурные принципы:
Контроллер сосотоит из двух частей: элемент поплавлка и механизм преобразования.
Если измерительный уровень изменялось, с ним поплавок перемещается вверх и
вниз вместе, штоковой части магнита передвигает в противоположном направлении.
Когда уровень достигает двух контрольных точек, при отталкивающем действии
магнитной силы той же полярности, магнитная сталь механизма преобразователя
быстро и исключены на другой стороне, микропереключатель включен или отключен,
выходной сигнал переключателя используется для достижения сигнализации или
автоматического управления.
4.Памятка по обращению
(1) Управляющая среда не должна содержать магнитных примесей.
(2) Частота колебаний уровня и амплитудой среды не слишком велика.
(3) Контроллер серии UQK-03-C, Если его диаметр больше, чем диаметр фланца,
крышка сосуда должна быть разъёмный.
5.При заказе
Пожалуйста, укажите модель спецификации, спецификации фланца , если нет
специальных требований, будет на основе стандартной фланца для поставщиков.



Предыдущий:Судовой поплавко.. следующий:Водоуказательны..










