Type:Судовой поплавковый контроллер уровня UQK-652-C/S
Illustrate:1.Применение Поплавковый контроллер уровня серии UQK-65-C /S в основном используются в судостроении, нефтяной, химической, фармацевтической, металлургии, электроэнергетики и других отраслей промышленности,
1.Применение
Поплавковый контроллер уровня серии UQK-65-C /S в основном используются в судостроении, нефтяной,
химической, фармацевтической, металлургии, электроэнергетики и других отраслей промышленности,
в различных открытых или закрытых сосудах для достижения уровня тревоги и функции управления, это
идеальный прибор для управления процессов промышленные сточные воды.
Основная измеряемая среда: чистая вода, водопроводная вода, промышленная сточная вода, и различные
масла и кислотно-щелочные проводящие и непроводящие жидкости.
2.Основные технические параметры
(1) Диапазон регулирования: ≥ 200 mm
(2)Удельный вес среды : ≥ 0.8g/cm
(3)Температура среды: -40 ~ +80 °
(4)Температура окружающей среды: -20 ~ +80 °
(5) Рабочее давление: ≤ 1.0MPa 5
(6) Точность: ± 20 мм
(7) Ёмкость контакта: 220/380V AC 1A
(8)Вязкость среды: ≤ 0.02Pa.s
(9)Верхняя и нижняя немая зона:100mm
(10) Вид защиты : А--с трубкой защиты, B -- без трубки защиты
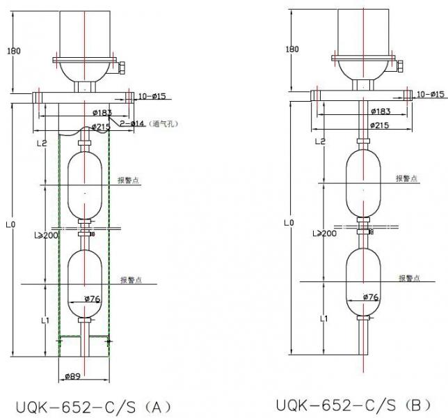
3.Структура и принцип работы
Структура: прибор в основном состоит из поплавок, направляющей трубки, фланцы, соединительн
коробки и преобразователя, и т.д., части в контакте с жидкостей которые изготовлены из нержавеющей стали.
Как показано на рисунке.
Принцип заключается в использовании закона Архимеда, поплавок оснащен постоянными магнитами,
с ростом и падением уровня жидкости в направляющую трубку вверх и вниз. После преобразования язычковой
трубы может быть реализована с верхней и нижней тревоги контрольной точки.


Instrument structure Fig.

Поплавковый контроллер уровня серии UQK-65-C /S в основном используются в судостроении, нефтяной,
химической, фармацевтической, металлургии, электроэнергетики и других отраслей промышленности,
в различных открытых или закрытых сосудах для достижения уровня тревоги и функции управления, это
идеальный прибор для управления процессов промышленные сточные воды.
Основная измеряемая среда: чистая вода, водопроводная вода, промышленная сточная вода, и различные
масла и кислотно-щелочные проводящие и непроводящие жидкости.
2.Основные технические параметры
(1) Диапазон регулирования: ≥ 200 mm
(2)Удельный вес среды : ≥ 0.8g/cm
(3)Температура среды: -40 ~ +80 °
(4)Температура окружающей среды: -20 ~ +80 °
(5) Рабочее давление: ≤ 1.0MPa 5
(6) Точность: ± 20 мм
(7) Ёмкость контакта: 220/380V AC 1A
(8)Вязкость среды: ≤ 0.02Pa.s
(9)Верхняя и нижняя немая зона:100mm
(10) Вид защиты : А--с трубкой защиты, B -- без трубки защиты
3.Структура и принцип работы
Структура: прибор в основном состоит из поплавок, направляющей трубки, фланцы, соединительн
коробки и преобразователя, и т.д., части в контакте с жидкостей которые изготовлены из нержавеющей стали.
Как показано на рисунке.
Принцип заключается в использовании закона Архимеда, поплавок оснащен постоянными магнитами,
с ростом и падением уровня жидкости в направляющую трубку вверх и вниз. После преобразования язычковой
трубы может быть реализована с верхней и нижней тревоги контрольной точки.


Instrument structure Fig.

Предыдущий:Взрывобезопасны.. следующий:Судовой поплавко..










