扫一扫,了解产品
微信号:shanghaicixiyiqi
技术支持:上海瓷熙仪器仪表有限公司
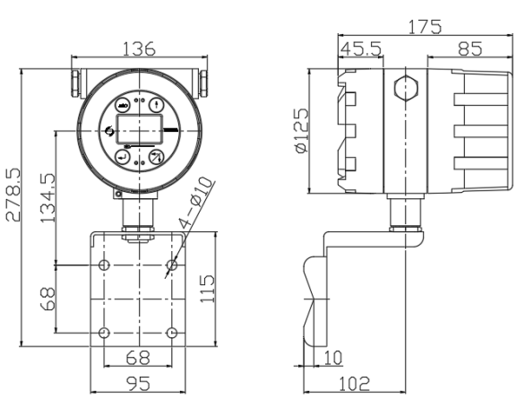
| ● 防护等级: IP67 | ● 电气接口: 1/2NPT |
| ● 防爆等级: Ex d ib II C T6 Gb | ● 重复性: ±0.10% 、±0.05% |
| ● 测量管材质: 316不锈钢或哈 C 合金 | ● 供电电源: 24V DC(电流不小于 500mA)或 220V AC |
| ● 压力等级: 标准配置见下表,其他高压可以特殊订货 | |
| ● 介质温度: 标准配置-50℃~+150℃(-200℃~+350℃可定制) | |
| ● 适用范围: 液体、气体、液固、气固的质量流量或体积流量的测量 | |
| ● 环境温度: 传感器:-41℃~+150℃ 变送器:-41℃~+80℃ | |
服务承诺: 一年保质 产品终身服务 7X24小时服务 服务随叫随到
销售热线:182-2103-2874
没有找到合适产品,您可以点击在线咨询,技术为您推荐合适型号。
微小科里奥利质量流量计是根据科里奥利(Coriolis Force)原理,实现流体质量流量的直接精密测量,而无需任何压力、温度、粘度、密度等换算或修正。其结构是由传感器单元和变送器单元两部分组成。能够直接测量流体的质量,具有高精度(0.1%~0.2%),应用范围广(可测量各种非牛顿流体、各种浆液、悬浮液、高粘度流体等),安装要求低(对仪表的前后直管段要求不高),运行可靠、稳定,维修率低等特点。




1、测量液体要结合常用流量和*大*小流量,选用合适量程的仪表。
2、测量气体要结合工艺管径,压力,常用量,*大*小量计算流速选型。
3、测量高粘度流体或者液固两相流体,要告知粘度,密度,工艺管径,常用量,和*大*小流量来选型。
4、测量有腐蚀性的介质要告知具体介质化学名称,根据腐蚀手册选择不同材质的测量管(316L,哈 C 合金)。
5、建议常用量在仪表标准量程的 1/3 以上,并且建议用户的*小流量在仪表标校量程的 1/10 以上。如用户特殊需要,请订货时说明,我们可以针对用户的特殊需要进行修正,以保证仪表在用户的使用范围内满足要求。根据实际物料特性,选择仪表传感器的材质、压力等级和温度等级,并保证防爆等级满足客户使用要求。
